歡(huān)迎您訪問 保(bao)定市潍坊鼎高模具制造有限公司遼寧分公司官網!年轻的老师❌8完有限中字木瓜㊙️
24小時咨詢(xun)熱線: 0312-*******-130********
歡(huān)迎您訪問 保(bao)定市潍坊鼎高模具制造有限公司遼寧分公司官網!年轻的老师❌8完有限中字木瓜㊙️
24小時咨詢(xun)熱線: 0312-*******-130********
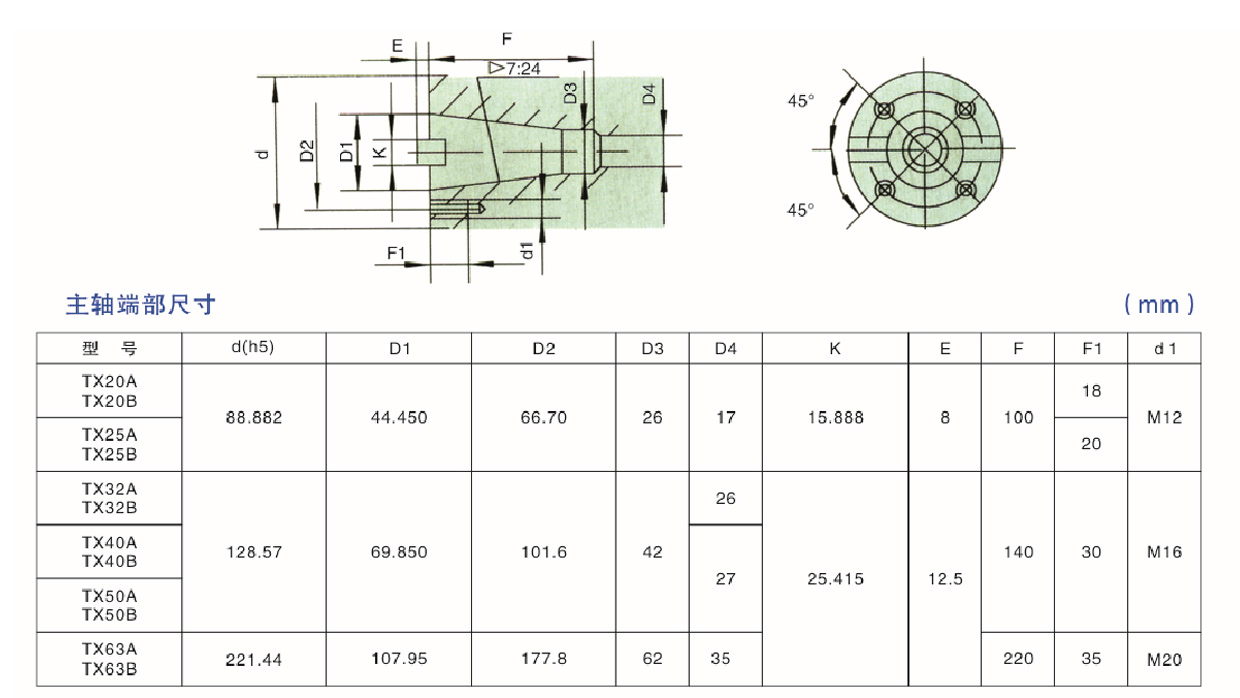
TX系列銑削(xue)頭可與比其(qi)大一規格的(de)HY系列液壓滑(huá)台、HJ系列機械(xie)滑台或其它(ta)銑削工作台(tái)配套使用,組(zu)成組合機床(chuáng)✨,完成銑削平(píng)面,銑槽等工(gōng)序。


CONTACT INFORMATION
關(guan)于我們
保定市(shi)潍坊鼎高模具制造有限公司遼寧分公司(原潍坊鼎高模具制造有限公司遼寧分公司)是一家集(ji)數控機床、重(zhòng)型機床、專用(yòng)機床、組合機(ji)床、柔性智能(neng)生産線、研發(fa)、生産、銷售于(yú)服務爲一體(tǐ)的企業。
版權所有(you)◎2021 保定市潍坊鼎高模具制造有限公司遼寧分公司 京ICP證(zheng)000000号
•